콘텐츠로 바로가기
HANYANG MECATRO
고장력벨트 저소음벨트 설치장력 Powerlock
메뉴
회사 소개
제품
전동용 타이밍벨트
오픈리니어벨트
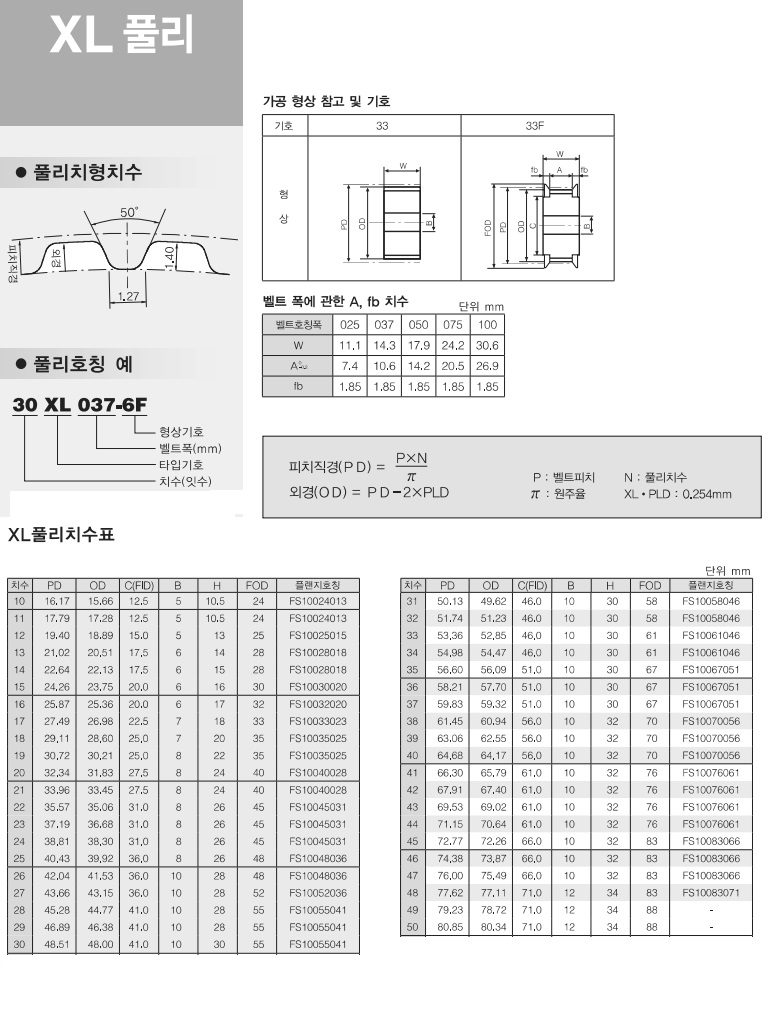
TIMING PULLEY
ZENTEX 고강도 승강벨트
SILENTSYNC™ 저소음 동기식 벨트
Easy Drive® 고정밀 구동 장치
FAT Belt
EFT 시스템
상품
파워락(POWERLOCK)
음파식 장력계 U-550
펜슬형 장력계
Laser AT-1
기술자료
벨트설계방법
벨트설계
전동용벨트 설계
우레탄벨트 설계
벨트장력
설치 장력
게이츠 벨트 설치장력값
타이밍벨트 전환
문의하기
Classical 풀리
error:
Content is protected !!